В вашей корзине ещё нет товаров.
|
|||||||||
| Количество в квадратом метре, шт | 2,37 | ||||||||
| Нормы погрузки на авто | 66 | ||||||||
| Нормы погрузки ЖД | 230 | ||||||||
| Ссылка на стандарт | https://disk.yandex.ru/d/oB9_yUAbrj8nvg | ||||||||
| Расход стали, кг | 8,5 |
| Расход стали на 1м3 бетона, кг | 70,83 |
| Класс прочности | В15 |
| Марка бетона | М200 |
| Морозостойкость | F100-F200 |
| Водонепроницаемость | W4-W6 |
| Марка бетона по EN 206-1 | C12/15 |
| Геометрический объем | 0,169 |
| Объем бетона | 0,12 |
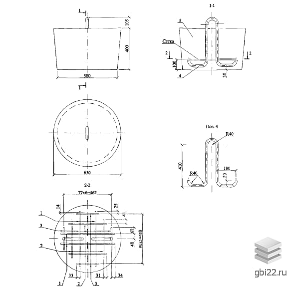
Анкеры цилиндрические АЦ 1 (Арх 21.0003) – надежные строительные элементы, предназначенные для усиления опор линий электропередач. Изделия отличаются повышенной прочностью и долговечностью.
Обозначение АЦ 1 (Арх 21.0003) расшифровывается следующим образом:
Изменение маркировки не допускается во избежание ошибок при подборе материалов.
Анкер имеет цилиндрическую форму с трапециевидным сечением и оснащен закладной петлей для крепления оттяжек. Основные параметры:
Анкеры используются для:
Основные параметры изделий:
Для обеспечения долговечности необходимо:
Все изделия проходят обязательные испытания. Браком считаются анкеры с:
| Стандарт | Арх |
| Номер стандарта | 21.0003 |
| Статус | не определен |
| Год выпущенного стандарта | 2001 |
| Название стандарта | Подвеска самонесущих изолированных проводов ВЛИ 0,4 кВ на существующих железобетонных опорах ВЛ 0,4 кВ с неизолированными проводами. |
| Название | Длина, мм | Ширина, мм | Высота, мм | Вес, кг | Номер стандарта | Цена | |
|---|---|---|---|---|---|---|---|
| 650 | 650 | 400 | 300 | 3.407-115 |
4 716 руб. |
||
| 6670 | 800 | 800 | 2320 | 3.407.9-158 |
26 931 руб. |
||
| 7400 | 560 | 560 | 1750 | 3.407.9-158 |
27 432 руб. |
||
| 5550 | 560 | 560 | 1330 | 3.407.9-158 |
16 662 руб. |
||
| 2930 | 560 | 560 | 680 | 3.407.9-158 |
6 302 руб. |
||
| 650 | 650 | 400 | 300 | 3.407.1-143 |
4 716 руб. |
ТД "Еврастрой" предлагает купить Анкера АЦ 1 по выгодной цене. Наша компания осуществляет доставку продукции по всей территории России и странам СНГ.
В каталоге представлено около 170 тыс. позиций.
По наличию и ценам Мы можем проконсультировать Вас по телефону +7 (343) 300-90-87 или можете отправить запрос на почтовый ящик gbi@gbi22.ru.
Оплатить продукцию можно в рассрочку, для обсуждения вопросов оплаты так же можно обратиться к нашим менеджерам.
Продажа ЖБИ изделий производится с заводов в таких городах как:
Наши менеджеры помогут Вам подобрать оптимальное решения для ваших задач, сориентируют по наличию и ценам, расскажут про оптимальные варианты доставки и оплаты. Звоните +7 (343) 300-90-87
