В вашей корзине ещё нет товаров.
| Цена за 1м3, руб | 42 106 с НДС* |
|
|||||||||
| Количество в квадратом метре, шт | 0,50 | ||||||||
| Нормы погрузки на авто | 2 | ||||||||
| Нормы погрузки ЖД | 10 | ||||||||
| Ссылка на стандарт | https://disk.yandex.ru/d/t6dUx_wYkCAdeA | ||||||||
| Расход стали, кг | 705 |
| Расход стали на 1м3 бетона, кг | 263,06 |
| Класс прочности | В22,5 |
| Марка бетона | М300 |
| Морозостойкость | F150-F300 |
| Водонепроницаемость | W6-W8 |
| Марка бетона по EN 206-1 | C18/22 |
| Геометрический объем | 5,736 |
| Объем бетона | 2,68 |
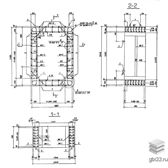
Блоки БВТ II 1,4-2,2 – это строительные элементы, созданные из бетона и металла. В соответствии с регламентом производства Серии 03.005-6 разработан ряд блоков, которые отличаются наличием проемов. Эти изделия предназначены для сборных железобетонных конструкций входов, подходных галерей, тамбуров и шлюзов, а также грузовых въездов и рамп в убежищах классов II-IV.
Блоки могут применяться в I-IV климатических районах, включая участки с сухими и водонасыщенными грунтами.
Каждое железобетонное изделие имеет буквенно-числовую маркировку, которая содержит информацию о конструктивных особенностях и параметрах. Например, в маркировке БВТ II 1,4-2,2 можно выделить следующие данные:
БВТ – название изделия, указывающее на его расположение в общем сооружении (блок входа тупикового);
II – класс сооружения;
1,4-2,2 – размеры в метрах.
Маркировочные символы и знаки наносятся на готовую конструкцию с использованием контрастной водостойкой краски, при помощи штампа или трафарета. Также на изделии могут быть указаны дата выпуска, вес, норматив, штамп отдела технического контроля и наименование завода.
Серия 03.005-6 включает в себя рабочие чертежи и спецификации для производства блоков, предназначенных для обустройства железобетонных убежищ. Цель технологического процесса – формирование конструкции заданной формы и размеров с высокой плотностью, достигаемой путем уплотнения бетонной массы.
Блоки БВТ II 1,4-2,2 изготавливаются по агрегатно-поточной или стендовой технологии. Бетонирование осуществляется в металлических формах, расположенных на «торец». Основным материалом является тяжелый бетон марки М300, который получается путем рационального подбора ингредиентов: цемента, воды, мелких и крупных заполнителей.
Армирование блоков выполняется пространственным каркасом, собранным из плоских каркасов. Рабочая и поперечная арматура изготовлены из горячекатаной стали класса A-III. В блоках предусмотрены закладные детали для упрощения процессов сопряжения и крепления оборудования.
Для удобства погрузочно-разгрузочных работ блоки БВТ II 1,4-2,2 оснащаются монтажными петлями из арматурной стали класса A-I марок ВСт3сп2 и ВСт3пс2.
По завершении производства блоки проходят контрольные испытания. Технические показатели прочности, жесткости и трещиностойкости являются основными направлениями проверок. Если результаты соответствуют стандартам, изделия получают документ, подтверждающий их качество.
Для сохранения внешнего вида и технических характеристик блоков необходимо соблюдать правила складирования и транспортировки. Блоки БВТ II 1,4-2,2 следует хранить в специально подготовленных помещениях с ровным плотным основанием, сортируя конструкции по маркам и используя деревянные подкладки и прокладки. Перевозка осуществляется специализированным транспортом с креплениями для предотвращения навалов блоков.
Длина: 990 мм
Ширина: 2040 мм
Высота: 2840 мм
Вес: 6700 кг
Марка бетона: М300
| Стандарт | серия |
| Номер стандарта | 03.005-6 |
| Статус | не определен |
| Год выпущенного стандарта | 1984 |
| Название стандарта | Входы, подходные галереи, тамбуры и шлюзы, аварийные выходы, грузовые въезды и рампы из сборных железобетонных блоков в убежищах II-IV классов. |
| Название | Длина, мм | Ширина, мм | Высота, мм | Вес, кг | Номер стандарта | Цена | |
|---|---|---|---|---|---|---|---|
| 1400 | 1400 | 1400 | 6850 | отсутствует |
70 148 руб. |
||
| 1990 | 3400 | 2200 | 7400 | 03.005-6 |
96 554 руб. |
||
| 1990 | 3400 | 1200 | 5500 | 03.005-6 |
49 673 руб. |
||
| 1990 | 2800 | 2200 | 6800 | 03.005-6 |
89 528 руб. |
||
| 1990 | 2800 | 1200 | 4900 | 03.005-6 |
44 733 руб. |
||
| 4900 | 500 | 3100 | 9700 | 03.005-6 |
88 751 руб. |
||
| 490 | 5240 | 3440 | 7200 | 03.005-6 |
73 458 руб. |
||
| 4000 | 500 | 3200 | 9200 | 03.005-6 |
80 562 руб. |
||
| 490 | 4080 | 3340 | 5300 | 03.005-6 |
57 461 руб. |
||
| 4900 | 500 | 3100 | 9700 | 03.005-6 |
120 579 руб. |
||
| 490 | 5240 | 3440 | 7200 | 03.005-6 |
108 016 руб. |
||
| 4000 | 500 | 3200 | 9200 | 03.005-6 |
106 388 руб. |
||
| 490 | 4340 | 3540 | 7300 | 03.005-6 |
73 135 руб. |
||
| 4900 | 500 | 3100 | 9700 | 03.005-6 |
143 342 руб. |
||
| 4000 | 500 | 3200 | 9200 | 03.005-6 |
125 188 руб. |
||
| 490 | 4340 | 3540 | 7300 | 03.005-6 |
84 597 руб. |
||
| 1490 | 4938 | 3140 | 8700 | 03.005-6 |
83 443 руб. |
||
| 1490 | 3838 | 3040 | 5300 | 03.005-6 |
80 691 руб. |
||
| 990 | 3340 | 3020 | 4900 | 03.005-6 |
62 887 руб. |
||
| 990 | 2740 | 3040 | 4300 | 03.005-6 |
56 668 руб. |
||
| 2900 | 350 | 2800 | 5100 | 03.005-6 |
89 693 руб. |
||
| 990 | 2940 | 2820 | 5700 | 03.005-6 |
84 508 руб. |
||
| 2900 | 350 | 2800 | 5100 | 03.005-6 |
125 046 руб. |
||
| 490 | 3140 | 3020 | 4400 | 03.005-6 |
58 764 руб. |
||
| 2900 | 350 | 2800 | 5100 | 03.005-6 |
161 193 руб. |
||
| 490 | 3140 | 3020 | 4400 | 03.005-6 |
141 727 руб. |
||
| 2600 | 350 | 2800 | 4300 | 03.005-6 |
71 758 руб. |
||
| 990 | 2640 | 2840 | 5400 | 03.005-6 |
71 572 руб. |
||
| 990 | 2240 | 2640 | 3300 | 03.005-6 |
48 410 руб. |
||
| 990 | 2240 | 2640 | 4800 | 03.005-6 |
58 602 руб. |
||
| 1800 | 350 | 2600 | 2900 | 03.005-6 |
51 809 руб. |
||
| 990 | 1840 | 2640 | 4300 | 03.005-6 |
52 555 руб. |
||
| 990 | 1640 | 2640 | 2600 | 03.005-6 |
38 850 руб. |
||
| 990 | 1640 | 2640 | 4200 | 03.005-6 |
52 567 руб. |
||
| 2600 | 350 | 2800 | 4300 | 03.005-6 |
109 784 руб. |
||
| 990 | 2820 | 3020 | 7900 | 03.005-6 |
105 584 руб. |
||
| 990 | 2440 | 2840 | 4900 | 03.005-6 |
69 131 руб. |
||
| 990 | 2440 | 2840 | 7300 | 03.005-6 |
82 846 руб. |
||
| 1800 | 350 | 2600 | 2900 | 03.005-6 |
75 493 руб. |
||
| 990 | 2040 | 2840 | 6700 | 03.005-6 |
81 004 руб. |
||
| 990 | 1840 | 2840 | 4200 | 03.005-6 |
59 525 руб. |
||
| 990 | 1840 | 2820 | 6400 | 03.005-6 |
78 920 руб. |
||
| 2600 | 350 | 2800 | 4300 | 03.005-6 |
140 080 руб. |
||
| 990 | 2820 | 3020 | 7900 | 03.005-6 |
161 707 руб. |
||
| 990 | 2440 | 2840 | 900 | 03.005-6 |
30 168 руб. |
||
| 990 | 2440 | 2840 | 7300 | 03.005-6 |
63 263 руб. |
||
| 1800 | 350 | 2600 | 2900 | 03.005-6 |
94 224 руб. |
||
| 990 | 1840 | 2840 | 4200 | 03.005-6 |
44 020 руб. |
||
| 990 | 1840 | 2820 | 6400 | 03.005-6 |
59 014 руб. |
||
| 2900 | 350 | 2800 | 5100 | 03.005-6 |
69 787 руб. |
| Название | Длина, мм | Ширина, мм | Высота, мм | Вес, кг | Номер стандарта | Цена | |
|---|---|---|---|---|---|---|---|
| 1990 | 3400 | 2200 | 7400 | 03.005-6 |
96 554 руб. |
||
| 1990 | 3400 | 1200 | 5500 | 03.005-6 |
49 673 руб. |
||
| 1990 | 2800 | 2200 | 6800 | 03.005-6 |
89 528 руб. |
||
| 1990 | 2800 | 1200 | 4900 | 03.005-6 |
44 733 руб. |
||
| 4900 | 500 | 3100 | 9700 | 03.005-6 |
88 751 руб. |
||
| 490 | 5240 | 3440 | 7200 | 03.005-6 |
73 458 руб. |
||
| 4000 | 500 | 3200 | 9200 | 03.005-6 |
80 562 руб. |
||
| 490 | 4080 | 3340 | 5300 | 03.005-6 |
57 461 руб. |
||
| 4900 | 500 | 3100 | 9700 | 03.005-6 |
120 579 руб. |
||
| 490 | 5240 | 3440 | 7200 | 03.005-6 |
108 016 руб. |
||
| 4000 | 500 | 3200 | 9200 | 03.005-6 |
106 388 руб. |
||
| 490 | 4340 | 3540 | 7300 | 03.005-6 |
73 135 руб. |
||
| 4900 | 500 | 3100 | 9700 | 03.005-6 |
143 342 руб. |
||
| 4000 | 500 | 3200 | 9200 | 03.005-6 |
125 188 руб. |
||
| 490 | 4340 | 3540 | 7300 | 03.005-6 |
84 597 руб. |
||
| 1490 | 4938 | 3140 | 8700 | 03.005-6 |
83 443 руб. |
||
| 1490 | 3838 | 3040 | 5300 | 03.005-6 |
80 691 руб. |
||
| 990 | 3340 | 3020 | 4900 | 03.005-6 |
62 887 руб. |
||
| 990 | 2740 | 3040 | 4300 | 03.005-6 |
56 668 руб. |
||
| 2900 | 350 | 2800 | 5100 | 03.005-6 |
89 693 руб. |
||
| 990 | 2940 | 2820 | 5700 | 03.005-6 |
84 508 руб. |
||
| 2900 | 350 | 2800 | 5100 | 03.005-6 |
125 046 руб. |
||
| 490 | 3140 | 3020 | 4400 | 03.005-6 |
58 764 руб. |
||
| 2900 | 350 | 2800 | 5100 | 03.005-6 |
161 193 руб. |
||
| 490 | 3140 | 3020 | 4400 | 03.005-6 |
141 727 руб. |
||
| 2600 | 350 | 2800 | 4300 | 03.005-6 |
71 758 руб. |
||
| 990 | 2640 | 2840 | 5400 | 03.005-6 |
71 572 руб. |
||
| 990 | 2240 | 2640 | 3300 | 03.005-6 |
48 410 руб. |
||
| 990 | 2240 | 2640 | 4800 | 03.005-6 |
58 602 руб. |
||
| 1800 | 350 | 2600 | 2900 | 03.005-6 |
51 809 руб. |
||
| 990 | 1840 | 2640 | 4300 | 03.005-6 |
52 555 руб. |
||
| 990 | 1640 | 2640 | 2600 | 03.005-6 |
38 850 руб. |
||
| 990 | 1640 | 2640 | 4200 | 03.005-6 |
52 567 руб. |
||
| 2600 | 350 | 2800 | 4300 | 03.005-6 |
109 784 руб. |
||
| 990 | 2820 | 3020 | 7900 | 03.005-6 |
105 584 руб. |
||
| 990 | 2440 | 2840 | 4900 | 03.005-6 |
69 131 руб. |
||
| 990 | 2440 | 2840 | 7300 | 03.005-6 |
82 846 руб. |
||
| 1800 | 350 | 2600 | 2900 | 03.005-6 |
75 493 руб. |
||
| 990 | 2040 | 2840 | 6700 | 03.005-6 |
81 004 руб. |
||
| 990 | 1840 | 2840 | 4200 | 03.005-6 |
59 525 руб. |
||
| 990 | 1840 | 2820 | 6400 | 03.005-6 |
78 920 руб. |
||
| 2600 | 350 | 2800 | 4300 | 03.005-6 |
140 080 руб. |
||
| 990 | 2820 | 3020 | 7900 | 03.005-6 |
161 707 руб. |
||
| 990 | 2440 | 2840 | 900 | 03.005-6 |
30 168 руб. |
||
| 990 | 2440 | 2840 | 7300 | 03.005-6 |
63 263 руб. |
||
| 1800 | 350 | 2600 | 2900 | 03.005-6 |
94 224 руб. |
||
| 990 | 1840 | 2840 | 4200 | 03.005-6 |
44 020 руб. |
||
| 990 | 1840 | 2820 | 6400 | 03.005-6 |
59 014 руб. |
||
| 2900 | 350 | 2800 | 5100 | 03.005-6 |
69 787 руб. |
||
| 990 | 2940 | 2820 | 5700 | 03.005-6 |
72 988 руб. |
ТД "Еврастрой" предлагает купить Блоки БВТ II 1,4-2,2 по выгодной цене. Наша компания осуществляет доставку продукции по всей территории России и странам СНГ.
В каталоге представлено около 170 тыс. позиций.
По наличию и ценам Мы можем проконсультировать Вас по телефону +7 (343) 300-90-87 или можете отправить запрос на почтовый ящик gbi@gbi22.ru.
Оплатить продукцию можно в рассрочку, для обсуждения вопросов оплаты так же можно обратиться к нашим менеджерам.
Продажа ЖБИ изделий производится с заводов в таких городах как:
Наши менеджеры помогут Вам подобрать оптимальное решения для ваших задач, сориентируют по наличию и ценам, расскажут про оптимальные варианты доставки и оплаты. Звоните +7 (343) 300-90-87
