В вашей корзине ещё нет товаров.

|
|||||||||
| Количество в квадратом метре, шт | 0,93 | ||||||||
| Нормы погрузки на авто | 41 | ||||||||
| Ссылка на стандарт | https://disk.yandex.ru/d/TLocTj1IZwwnyw | ||||||||
| Расход стали, кг | 8,96 |
| Класс прочности | В22,5 |
| Марка бетона | М300 |
| Морозостойкость | F150-F300 |
| Водонепроницаемость | W6-W8 |
| Марка бетона по EN 206-1 | C18/22 |
| Геометрический объем | 0,648 |
| Объем бетона | 0,19 |
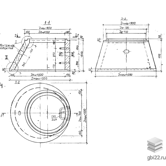
Кольца колодцев К 7/10-6 и ПС 334 – ключевые компоненты для обустройства горловин смотровых колодцев из железобетона. Эти элементы обеспечивают надежность и долговечность инженерных конструкций благодаря высокой прочности и устойчивости к внешним воздействиям. Конструктивно они представляют собой полые конические изделия, используемые совместно с опорными плитами и перекрытиями. Применяются при строительстве канализационных систем, водосточных колодцев и смотровых камер коммуникаций.
Каждое железобетонное изделие имеет стандартную маркировку:
Дополнительно на поверхность наносят дату производства, клеймо завода и отметку о прохождении испытаний. Маркировка выполняется по утвержденным стандартам и должна быть четко видимой.
Изготовление колец регламентируется Альбомом ПС-334 и включает:
Производство осуществляется в специализированных формах с точным соблюдением геометрических параметров. Готовые изделия должны иметь ровную поверхность без дефектов.
Кольца хранят вертикально в два яруса с деревянными прокладками. Перевозка осуществляется спецтехникой с надежным креплением в кузове. Все элементы доставляются комплектно с сопутствующими деталями для монтажа.
| Стандарт | альбом |
| Номер стандарта | ПС 334 |
| Статус | не определен |
| Год выпущенного стандарта | 1997 |
| Название стандарта | Сборные железобетонные конструкции элементов колодцев на подземных трубопроводах. Рабочие чертежи. |
| Название | Длина, мм | Ширина, мм | Высота, мм | Вес, кг | Номер стандарта | Цена | |
|---|---|---|---|---|---|---|---|
| 2700 | 2500 | 1190 | 2320 | 8020-2016 |
25 587 руб. |
||
| 2700 | 2500 | 1190 | 2320 | 8020-2016 |
20 155 руб. |
||
| 2700 | 2500 | 890 | 1720 | 8020-2016 |
18 415 руб. |
||
| 2700 | 2500 | 590 | 1150 | 8020-2016 |
14 221 руб. |
||
| 2200 | 2000 | 2990 | 4750 | 8020-2016 |
36 981 руб. |
||
| 2200 | 2000 | 2490 | 3960 | 8020-2016 |
30 638 руб. |
||
| 2200 | 2000 | 1780 | 2830 | 8020-2016 |
24 009 руб. |
||
| 2200 | 2000 | 1780 | 2830 | 8020-2016 |
21 792 руб. |
||
| 2200 | 2000 | 1190 | 1680 | 8020-2016 |
15 519 руб. |
||
| 2200 | 2000 | 1190 | 1680 | 8020-2016 |
15 853 руб. |
||
| 2200 | 2000 | 890 | 1410 | 8020-2016 |
20 941 руб. |
||
| 2200 | 2000 | 890 | 1410 | 8020-2016 |
18 308 руб. |
||
| 2200 | 2000 | 890 | 1410 | 8020-2016 |
14 210 руб. |
||
| 2200 | 2000 | 890 | 1410 | 8020-2016 |
10 850 руб. |
||
| 2200 | 2000 | 590 | 930 | 8020-2016 |
8 555 руб. |
||
| 2200 | 2000 | 590 | 930 | 8020-2016 |
7 146 руб. |
||
| 2200 | 2000 | 290 | 450 | 8020-2016 |
5 711 руб. |
||
| 1680 | 1500 | 2690 | 2880 | 8020-2016 |
25 484 руб. |
||
| 1680 | 1500 | 1790 | 1920 | 8020-2016 |
16 632 руб. |
||
| 1680 | 1500 | 1790 | 1920 | 8020-2016 |
15 297 руб. |
||
| 1680 | 1500 | 1790 | 1920 | 8020-2016 |
12 943 руб. |
||
| 1680 | 1500 | 890 | 960 | 8020-2016 |
10 951 руб. |
||
| 1680 | 1500 | 890 | 960 | 8020-2016 |
9 575 руб. |
||
| 1680 | 1500 | 890 | 960 | 8020-2016 |
8 467 руб. |
||
| 1680 | 1500 | 890 | 960 | 8020-2016 |
6 466 руб. |
||
| 1680 | 1500 | 590 | 620 | 8020-2016 |
7 878 руб. |
||
| 1680 | 1500 | 590 | 620 | 8020-2016 |
7 408 руб. |
||
| 1680 | 1500 | 590 | 620 | 8020-2016 |
5 544 руб. |
||
| 1680 | 1500 | 290 | 310 | 8020-2016 |
3 856 руб. |
||
| 1410 | 1250 | 890 | 700 | 8020-2016 |
9 750 руб. |
||
| 1410 | 1250 | 890 | 700 | 8020-2016 |
8 383 руб. |
||
| 1410 | 1250 | 890 | 700 | 8020-2016 |
6 234 руб. |
||
| 1410 | 1250 | 590 | 500 | 8020-2016 |
4 103 руб. |
||
| 1160 | 1000 | 1780 | 1150 | 8020-2016 |
10 093 руб. |
||
| 1160 | 1000 | 1780 | 1150 | 8020-2016 |
8 115 руб. |
||
| 1160 | 1000 | 890 | 570 | 8020-2016 |
5 304 руб. |
||
| 1160 | 1000 | 890 | 570 | 8020-2016 |
5 337 руб. |
||
| 1160 | 1000 | 890 | 570 | 8020-2016 |
4 050 руб. |
||
| 1160 | 1000 | 590 | 380 | 8020-2016 |
3 569 руб. |
||
| 1160 | 1000 | 290 | 160 | 8020-2016 |
3 031 руб. |
||
| 840 | 700 | 890 | 360 | 8020-2016 |
3 577 руб. |
||
| 840 | 700 | 590 | 240 | 8020-2016 |
2 422 руб. |
||
| 840 | 700 | 290 | 120 | 8020-2016 |
1 767 руб. |
||
| 700 | 70 | 250 | 160,000 | ПС 103 |
1 002 руб. |
||
| 700 | 70 | 990 | 420,000 | ПС 103 |
2 486 руб. |
||
| 700 | 70 | 495 | 210,000 | ПС 103 |
1 275 руб. |
||
| 700 | 70 | 145 | 63,000 | ПС 103 |
947 руб. |
||
| 2700 | 2700 | 890 | 2200 | 8020-90 |
12 494 руб. |
||
| 2700 | 2700 | 590 | 1200 | 8020-90 |
7 383 руб. |
||
| 2200 | 2200 | 290 | 475 | 8020-90 |
5 942 руб. |
| Название | Длина, мм | Ширина, мм | Высота, мм | Вес, кг | Номер стандарта | Цена | |
|---|---|---|---|---|---|---|---|
| 1450 | 1450 | 140 | 330 | ПС 334 |
4 710 руб. |
||
| 1615 | 1615 | 250 | 1010 | ПС 334 |
10 943 руб. |
||
| 735 | 1470 | 400 | 460 | ПС 334 |
3 636 руб. |
||
| 860 | 860 | 500 | 253 | ПС 334 |
1 769 руб. |
||
| 860 | 860 | 1000 | 458 | ПС 334 |
3 425 руб. |
||
| 860 | 860 | 150 | 69 | ПС 334 |
1 047 руб. |
||
| 860 | 860 | 100 | 45 | ПС 334 |
779 руб. |
||
| 860 | 860 | 80 | 36 | ПС 334 |
678 руб. |
||
| 1740 | 1740 | 500 | 730 | ПС 334 |
4 294 руб. |
||
| 1740 | 1740 | 1000 | 1462 | ПС 334 |
8 501 руб. |
||
| 1470 | 1470 | 1000 | 1130 | ПС 334 |
6 860 руб. |
||
| 1200 | 1200 | 500 | 413 | ПС 334 |
2 644 руб. |
||
| 1200 | 1200 | 1000 | 828 | ПС 334 |
5 361 руб. |
ТД "Еврастрой" предлагает купить Кольца колодцев стеновые К 7/10-6 и по выгодной цене. Наша компания осуществляет доставку продукции по всей территории России и странам СНГ.
В каталоге представлено около 170 тыс. позиций.
По наличию и ценам Мы можем проконсультировать Вас по телефону +7 (343) 300-90-87 или можете отправить запрос на почтовый ящик gbi@gbi22.ru.
Оплатить продукцию можно в рассрочку, для обсуждения вопросов оплаты так же можно обратиться к нашим менеджерам.
Продажа ЖБИ изделий производится с заводов в таких городах как:
Наши менеджеры помогут Вам подобрать оптимальное решения для ваших задач, сориентируют по наличию и ценам, расскажут про оптимальные варианты доставки и оплаты. Звоните +7 (343) 300-90-87
