В вашей корзине ещё нет товаров.

| Цена за 1м3, руб | 22 523 с НДС* |
|
|||||||||
| Количество в квадратом метре, шт | 0,12 | ||||||||
| Нормы погрузки на авто | 6 | ||||||||
| Ссылка на стандарт | https://disk.yandex.ru/d/D8FPjoiS_Hrdew | ||||||||
| Расход стали, кг | 132,15 |
| Расход стали на 1м3 бетона, кг | 93,06 |
| Класс прочности | В22,5 |
| Марка бетона | М300 |
| Морозостойкость | F150-F300 |
| Водонепроницаемость | W6-W8 |
| Марка бетона по EN 206-1 | C18/22 |
| Геометрический объем | 10,053 |
| Объем бетона | 1,42 |
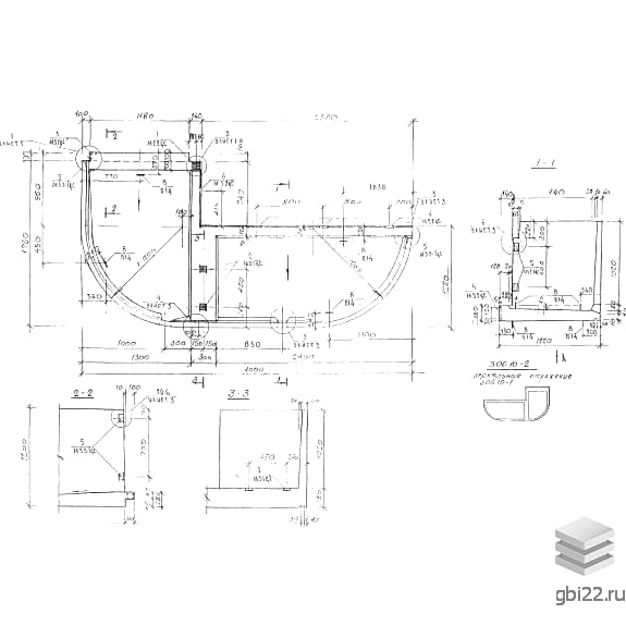
Маркировка изделия 3ОБ 10-1 (Альбом 3РС 43-11) расшифровывается следующим образом:
Изменение маркировки без согласования с производителем не допускается.
Балконные элементы представляют собой монолитные конструкции, объединяющие плиту основания и ограждение. Доступны модели с закруглёнными и прямоугольными формами.
Используются в многоэтажном строительстве (11-16 этажей) для обустройства балконов и лоджий. Готовые модули ускоряют монтаж, так как включают и плиту, и ограждение.
Допускается облицовка фасадными материалами, плиткой или окрашивание. Изделия соответствуют:
Огнестойкость – от 1 часа.
Изготовление ведётся в стальных формах с применением:
Используются:
Изготавливаются из стали Ст3кп2 (ГОСТ 380-71) с контролем качества по ГОСТ 10922-90.
Хранение – в рабочем положении на ровных площадках. Транспортировка – строго за монтажные петли.
Геометрия и отделка проверяются по ГОСТ 25670-83. Погрешности должны соответствовать проектным чертежам.
| Стандарт | альбом |
| Номер стандарта | 3РС 43-11 |
| Статус | не определен |
| Год выпущенного стандарта | 1997 |
| Название стандарта | Объемные элементы балконов. |
| Название | Длина, мм | Ширина, мм | Высота, мм | Вес, кг | Номер стандарта | Цена | |
|---|---|---|---|---|---|---|---|
| 3430 | 1960 | 180 | 2100 | 143-65 КЖИ8 |
24 002 руб. |
||
| 3430 | 1960 | 180 | 2100 | 143-65 КЖИ8 |
24 002 руб. |
||
| 3430 | 1960 | 180 | 2100 | 143-65 КЖИ8 |
24 002 руб. |
||
| 3430 | 1960 | 180 | 2100 | 143-65 КЖИ8 |
24 002 руб. |
||
| 3430 | 1960 | 180 | 2100 | 143-65 КЖИ8 |
24 002 руб. |
||
| 3410 | 1960 | 180 | 2100 | 143-65 КЖИ8 |
23 984 руб. |
||
| 3410 | 1960 | 180 | 2100 | 143-65 КЖИ8 |
23 984 руб. |
||
| 3410 | 1960 | 180 | 2100 | 143-65 КЖИ8 |
23 984 руб. |
||
| 3410 | 1960 | 180 | 2100 | 143-65 КЖИ8 |
23 984 руб. |
||
| 3410 | 1960 | 180 | 2100 | 143-65 КЖИ8 |
23 984 руб. |
||
| 2810 | 1960 | 180 | 1725 | 143-65 КЖИ8 |
19 816 руб. |
||
| 2810 | 1960 | 180 | 1725 | 143-65 КЖИ8 |
19 816 руб. |
||
| 2810 | 1960 | 180 | 1725 | 143-65 КЖИ8 |
19 816 руб. |
||
| 2810 | 1960 | 180 | 1725 | 143-65 КЖИ8 |
19 816 руб. |
||
| 2810 | 1960 | 180 | 1725 | 143-65 КЖИ8 |
19 816 руб. |
||
| 3190 | 1240 | 150 | 1085 | ИИ 03-02 |
12 762 руб. |
||
| 3190 | 1240 | 150 | 1085 | ИИ 03-02 |
12 762 руб. |
||
| 3190 | 1240 | 150 | 1100 | ИИ 03-02 |
11 958 руб. |
||
| 3190 | 1240 | 150 | 1100 | ИИ 03-02 |
11 204 руб. |
||
| 3190 | 1240 | 150 | 1100 | ИИ 03-02 |
11 019 руб. |
||
| 3190 | 1140 | 150 | 965 | ИИ 03-02 |
12 032 руб. |
||
| 3190 | 1140 | 150 | 965 | ИИ 03-02 |
12 032 руб. |
||
| 3190 | 1140 | 150 | 980 | ИИ 03-02 |
11 428 руб. |
||
| 3190 | 1140 | 150 | 980 | ИИ 03-02 |
10 675 руб. |
||
| 3190 | 1140 | 150 | 980 | ИИ 03-02 |
10 496 руб. |
||
| 3190 | 1040 | 150 | 845 | ИИ 03-02 |
10 978 руб. |
||
| 3190 | 1040 | 150 | 845 | ИИ 03-02 |
10 978 руб. |
||
| 3190 | 1000 | 150 | 863 | ИИ 03-02 |
9 316 руб. |
||
| 2800 | 1240 | 150 | 960 | ИИ 03-02 |
10 418 руб. |
||
| 2800 | 1240 | 150 | 960 | ИИ 03-02 |
9 665 руб. |
||
| 2790 | 1240 | 150 | 960 | ИИ 03-02 |
9 473 руб. |
||
| 2790 | 1140 | 150 | 960 | ИИ 03-02 |
10 259 руб. |
||
| 2790 | 1140 | 150 | 960 | ИИ 03-02 |
9 506 руб. |
||
| 2790 | 1140 | 150 | 855 | ИИ 03-02 |
8 830 руб. |
||
| 2790 | 1040 | 150 | 755 | ИИ 03-02 |
7 823 руб. |
||
| 800 | 220 | 1140 | 330 | ИИ 03-02 |
по запросу |
||
| 3890 | 1340 | 150 | 1556 | 1.137-3 |
по запросу |
||
| 3890 | 1240 | 150 | 1410 | 1.137-3 |
по запросу |
||
| 3590 | 1340 | 150 | 1435 | 1.137-3 |
по запросу |
||
| 3590 | 1340 | 150 | 1435 | 1.137-3 |
по запросу |
||
| 3590 | 1240 | 150 | 1300 | 1.137-3 |
по запросу |
||
| 3590 | 1240 | 150 | 1300 | 1.137-3 |
по запросу |
||
| 3590 | 1140 | 150 | 1169 | 1.137-3 |
по запросу |
||
| 3290 | 1340 | 150 | 1315 | 1.137-3 |
по запросу |
||
| 3290 | 1340 | 150 | 1315 | 1.137-3 |
по запросу |
||
| 3290 | 1240 | 150 | 1193 | 1.137-3 |
по запросу |
||
| 3290 | 1240 | 150 | 1193 | 1.137-3 |
по запросу |
||
| 3290 | 1140 | 150 | 1068 | 1.137-3 |
по запросу |
||
| 2690 | 1340 | 150 | 1075 | 1.137-3 |
по запросу |
||
| 2690 | 1340 | 150 | 1073 | 1.137-3 |
по запросу |
| Название | Длина, мм | Ширина, мм | Высота, мм | Вес, кг | Номер стандарта | Цена | |
|---|---|---|---|---|---|---|---|
| 5550 | 1220 | 1200 | 3280 | 3РС 43-11 |
29 053 руб. |
||
| 4470 | 1220 | 1200 | 2800 | 3РС 43-11 |
26 963 руб. |
||
| 5600 | 1220 | 1200 | 3380 | 3РС 43-11 |
31 654 руб. |
||
| 5470 | 1220 | 1200 | 3280 | 3РС 43-11 |
28 638 руб. |
||
| 4000 | 2060 | 1220 | 3550 | 3РС 43-11 |
31 983 руб. |
ТД "Еврастрой" предлагает купить Элементы балконов 3ОБ 10-1 по выгодной цене. Наша компания осуществляет доставку продукции по всей территории России и странам СНГ.
В каталоге представлено около 170 тыс. позиций.
По наличию и ценам Мы можем проконсультировать Вас по телефону +7 (343) 300-90-87 или можете отправить запрос на почтовый ящик gbi@gbi22.ru.
Оплатить продукцию можно в рассрочку, для обсуждения вопросов оплаты так же можно обратиться к нашим менеджерам.
Продажа ЖБИ изделий производится с заводов в таких городах как:
Наши менеджеры помогут Вам подобрать оптимальное решения для ваших задач, сориентируют по наличию и ценам, расскажут про оптимальные варианты доставки и оплаты. Звоните +7 (343) 300-90-87
