В вашей корзине ещё нет товаров.
|
|||||||||
| Количество в квадратом метре, шт | 0,34 | ||||||||
| Нормы погрузки на авто | 29 | ||||||||
| Нормы погрузки ЖД | 77 | ||||||||
| Ссылка на стандарт | https://disk.yandex.ru/d/DETS0qy6Na1IPA | ||||||||
| Расход стали, кг | 33,01 |
| Расход стали на 1м3 бетона, кг | 121,36 |
| Класс прочности | В22,5 |
| Марка бетона | М300 |
| Морозостойкость | F150-F300 |
| Водонепроницаемость | W6-W8 |
| Марка бетона по EN 206-1 | C18/22 |
| Геометрический объем | 0,414 |
| Объем бетона | 0,27 |
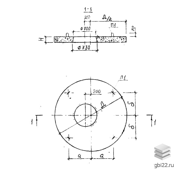
ПВГ 15 – обозначение круглых железобетонных плит с центральным отверстием. Расшифровка:
Плиты ПВГ 15 изготавливаются из бетона марки М300 с морозостойкостью F100. Основные параметры:
Конструкции предназначены для:
Изделия рассчитаны на:
Изготовление осуществляется согласно Альбому СК 2201-70 и РК 2201-82:
Требования к складированию:
| Стандарт | альбом |
| Номер стандарта | РК 2201-82 |
| Статус | не определен |
| Год выпущенного стандарта | 1982 |
| Название стандарта | Сборные железобетонные колодцы на подземных трубопроводах. Рабочие чертежи. |
| Название | Длина, мм | Ширина, мм | Высота, мм | Вес, кг | Номер стандарта | Цена | |
|---|---|---|---|---|---|---|---|
| 11650 | 1680 | 600 | 6000 | 1.020-1 |
47 392 руб. |
||
| 11650 | 1680 | 600 | 6000 | 1.020-1 |
45 137 руб. |
||
| 3280 | 1480 | 300 | 2400 | ПС 143 |
26 149 руб. |
||
| 4000 | 1800 | 300 | 5080 | ПС 143 |
61 306 руб. |
||
| 3800 | 1800 | 300 | 4800 | ПС 143 |
53 638 руб. |
||
| 3400 | 1800 | 280 | 3980 | ПС 143 |
34 430 руб. |
||
| 3000 | 1800 | 280 | 3480 | ПС 143 |
33 106 руб. |
||
| 2600 | 1800 | 220 | 2330 | ПС 143 |
25 095 руб. |
||
| 2200 | 1800 | 220 | 1950 | ПС 143 |
17 665 руб. |
||
| 1800 | 1800 | 220 | 1550 | ПС 143 |
13 248 руб. |
||
| 1400 | 1800 | 180 | 830 | ПС 143 |
7 584 руб. |
||
| 4000 | 1200 | 280 | 3330 | ПС 143 |
29 821 руб. |
||
| 3800 | 1200 | 280 | 3150 | ПС 143 |
28 902 руб. |
||
| 3400 | 1200 | 280 | 2830 | ПС 143 |
24 327 руб. |
||
| 3000 | 1200 | 220 | 1950 | ПС 143 |
23 053 руб. |
||
| 2600 | 600 | 220 | 830 | ПС 143 |
30 413 руб. |
||
| 2200 | 600 | 160 | 500 | ПС 143 |
44 164 руб. |
||
| 1800 | 600 | 160 | 400 | ПС 143 |
27 104 руб. |
||
| 1400 | 600 | 160 | 330 | ПС 143 |
15 531 руб. |
||
| 2520 | 600 | 220 | 910 | РК 2303-86 |
11 784 руб. |
||
| 7180 | 790 | 220 | 2080 | 9561-91 |
27 244 руб. |
||
| 7080 | 790 | 220 | 2050 | 9561-91 |
26 546 руб. |
||
| 6980 | 790 | 220 | 2000 | 9561-91 |
25 925 руб. |
||
| 6880 | 790 | 220 | 1980 | 9561-91 |
25 533 руб. |
||
| 6780 | 790 | 220 | 1950 | 9561-91 |
25 064 руб. |
||
| 6680 | 790 | 220 | 1930 | 9561-91 |
24 671 руб. |
||
| 6580 | 790 | 220 | 1900 | 9561-91 |
24 202 руб. |
||
| 6480 | 790 | 220 | 1850 | 9561-91 |
23 582 руб. |
||
| 6380 | 790 | 220 | 1800 | 9561-91 |
22 961 руб. |
||
| 6280 | 790 | 220 | 1780 | 9561-91 |
22 569 руб. |
||
| 6180 | 790 | 220 | 1730 | 9561-91 |
21 948 руб. |
||
| 6080 | 790 | 220 | 1700 | 9561-91 |
21 480 руб. |
||
| 5980 | 790 | 220 | 1680 | 9561-91 |
21 087 руб. |
||
| 5880 | 790 | 220 | 1650 | 9561-91 |
20 618 руб. |
||
| 5780 | 790 | 220 | 1630 | 9561-91 |
20 225 руб. |
||
| 5680 | 790 | 220 | 1600 | 9561-91 |
19 757 руб. |
||
| 5580 | 790 | 220 | 1580 | 9561-91 |
19 364 руб. |
||
| 5480 | 790 | 220 | 1550 | 9561-91 |
18 895 руб. |
||
| 5380 | 790 | 220 | 1530 | 9561-91 |
18 503 руб. |
||
| 5280 | 790 | 220 | 1500 | 9561-91 |
18 034 руб. |
||
| 5180 | 790 | 220 | 1480 | 9561-91 |
17 641 руб. |
||
| 5080 | 790 | 220 | 1450 | 9561-91 |
17 173 руб. |
||
| 4980 | 790 | 220 | 1420 | 9561-91 |
16 745 руб. |
||
| 4880 | 790 | 220 | 1380 | 9561-91 |
16 398 руб. |
||
| 4780 | 790 | 220 | 1350 | 9561-91 |
15 781 руб. |
||
| 4680 | 790 | 220 | 1330 | 9561-91 |
15 279 руб. |
||
| 4580 | 790 | 220 | 1300 | 9561-91 |
14 894 руб. |
||
| 4480 | 790 | 220 | 1260 | 9561-91 |
14 433 руб. |
||
| 4380 | 790 | 220 | 1240 | 9561-91 |
14 124 руб. |
||
| 4280 | 790 | 220 | 1220 | 9561-91 |
13 814 руб. |
| Название | Длина, мм | Ширина, мм | Высота, мм | Вес, кг | Номер стандарта | Цена | |
|---|---|---|---|---|---|---|---|
| 870 | 870 | 360 | 90 | РК 2201-82 |
3 683 руб. |
||
| 2740 | 2740 | 180 | 1850 | РК 2201-82 |
21 209 руб. |
||
| 2740 | 2740 | 180 | 2400 | РК 2201-82 |
24 867 руб. |
||
| 2240 | 2240 | 160 | 1250 | РК 2201-82 |
13 945 руб. |
||
| 2240 | 2240 | 160 | 1350 | РК 2201-82 |
14 874 руб. |
||
| 1720 | 1720 | 140 | 520 | РК 2201-82 |
5 846 руб. |
||
| 1720 | 1720 | 140 | 680 | РК 2201-82 |
6 836 руб. |
||
| 1450 | 1450 | 140 | 450 | РК 2201-82 |
4 822 руб. |
||
| 1200 | 1200 | 120 | 225 | РК 2201-82 |
2 773 руб. |
||
| 1000 | 1000 | 170 | 150 | РК 2201-82 |
1 595 руб. |
||
| 2740 | 2740 | 180 | 2480 | РК 2201-82 |
24 865 руб. |
||
| 2240 | 2240 | 160 | 1430 | РК 2201-82 |
14 703 руб. |
||
| 2300 | 1600 | 300 | 1320 | РК 2201-82 |
13 267 руб. |
||
| 2200 | 2200 | 3110 | 8180 | РК 2201-82 |
46 071 руб. |
||
| 1680 | 1680 | 2870 | 4450 | РК 2201-82 |
26 211 руб. |
||
| 1410 | 1410 | 2630 | 3000 | РК 2201-82 |
18 347 руб. |
||
| 1160 | 1160 | 2410 | 2100 | РК 2201-82 |
13 121 руб. |
||
| 840 | 840 | 490 | 210 | РК 2201-82 |
1 168 руб. |
||
| 840 | 840 | 990 | 420 | РК 2201-82 |
2 308 руб. |
||
| 840 | 840 | 145 | 60 | РК 2201-82 |
914 руб. |
||
| 2200 | 2200 | 490 | 820 | РК 2201-82 |
4 325 руб. |
||
| 1680 | 1680 | 490 | 550 | РК 2201-82 |
2 946 руб. |
||
| 1680 | 1680 | 990 | 1100 | РК 2201-82 |
5 835 руб. |
||
| 1410 | 1410 | 490 | 420 | РК 2201-82 |
2 278 руб. |
||
| 1410 | 1410 | 990 | 820 | РК 2201-82 |
4 414 руб. |
||
| 1160 | 1160 | 490 | 350 | РК 2201-82 |
1 890 руб. |
||
| 1160 | 1160 | 990 | 680 | РК 2201-82 |
3 645 руб. |
||
| 840 | 840 | 180 | 130 | РК 2201-82 |
829 руб. |
||
| 1160 | 1160 | 1270 | 1230 | РК 2201-82 |
7 717 руб. |
||
| 1680 | 1680 | 1980 | 2560 | РК 2201-82 |
15 851 руб. |
||
| 1410 | 1410 | 1800 | 1800 | РК 2201-82 |
11 379 руб. |
||
| 1160 | 1160 | 1800 | 1350 | РК 2201-82 |
8 933 руб. |
||
| 960 | 960 | 1550 | 950 | РК 2201-82 |
5 923 руб. |
||
| 2650 | 2650 | 1980 | 5580 | РК 2201-82 |
39 169 руб. |
||
| 2150 | 2150 | 1980 | 4120 | РК 2201-82 |
26 980 руб. |
||
| 1650 | 1650 | 1980 | 2820 | РК 2201-82 |
18 347 руб. |
||
| 1380 | 1380 | 1980 | 2050 | РК 2201-82 |
13 893 руб. |
ТД "Еврастрой" предлагает купить Плиты перекрытия ПВГ 15 по выгодной цене. Наша компания осуществляет доставку продукции по всей территории России и странам СНГ.
В каталоге представлено около 170 тыс. позиций.
По наличию и ценам Мы можем проконсультировать Вас по телефону +7 (343) 300-90-87 или можете отправить запрос на почтовый ящик gbi@gbi22.ru.
Оплатить продукцию можно в рассрочку, для обсуждения вопросов оплаты так же можно обратиться к нашим менеджерам.
Продажа ЖБИ изделий производится с заводов в таких городах как:
Наши менеджеры помогут Вам подобрать оптимальное решения для ваших задач, сориентируют по наличию и ценам, расскажут про оптимальные варианты доставки и оплаты. Звоните +7 (343) 300-90-87
