Производство, продажа и
поставка ЖБИ по России и СНГ
Навигация
Код товара:
16 052 руб.
цена с НДС*

альбом ТДК 4-1

Краткие характеристики
Длина, мм
3500
Ширина, мм
1190
Высота, мм
220
Вес, кг
2130

Все характеристики
Длина, мм
3500
Ширина, мм
1190
Высота, мм
220
Вес, кг
2130
Количество в квадратом метре, шт
0,24
Нормы погрузки на авто
9
Нормы погрузки ЖД
32
Ссылка на стандарт
https://disk.yandex.ru/d/yI1zbNQ-eIJxMQ
Расход стали, кг
53,52
Расход стали на 1м3 бетона, кг
62,82
Класс прочности
В15
Марка бетона
М200
Морозостойкость
F100-F200
Водонепроницаемость
W4-W6
Марка бетона по EN 206-1
C12/15
Геометрический объем
0,916
Объем бетона
0,85

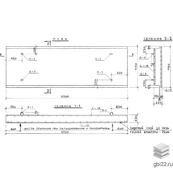
Железобетонные плиты перекрытия ТП 35-12: характеристики и применение

Плиты перекрытия ТП 35-12 — это усиленные железобетонные конструкции прямоугольной формы с боковыми выступами (по 60 мм). Они предназначены для строительства жилых, коммерческих и промышленных объектов, обеспечивая надежное межэтажное перекрытие с высокой несущей способностью.

Маркировка плит ТП 35-12

Обозначение изделия расшифровывается следующим образом:

  • ТП — тяжелая плита;
  • 35 — длина в дециметрах (3500 мм);
  • 12 — ширина в дециметрах (1190 мм);
  • Индекс — усиленная модификация (по сравнению с предыдущими нормативами).

Маркировка наносится стойкой краской, устойчивой к погодным условиям.

Основные характеристики

Габариты и вес:

  • Длина: 3500 мм
  • Ширина: 1190 мм
  • Высота: 220 мм
  • Масса: 2130 кг

Материалы и прочность:

  • Бетон марки М200 (класс прочности В15);
  • Арматура: сталь классов AI, AII (ГОСТ 5781-61) и проволока B-I (ГОСТ 6727-83);
  • Петли из стали ВКСт3сп/пс, ВМСт3сп/пс с антикоррозионной обработкой.

Особенности применения

Плиты ТП 35-12 используются в проектах с повышенными нагрузками благодаря:

  • Усиленной конструкции;
  • Соблюдению нормативов (СНиП III-B.1-62, серия ТДК 4-1);
  • Индивидуальному подбору морозостойкости и водонепроницаемости.

Транспортировка и хранение

Требования к складированию и перевозке:

  • Горизонтальное хранение на деревянных подкладках;
  • Надежное крепление при транспортировке;
  • Подъем только за монтажные петли.

Важно: 100% прочность бетона достигается через 28 дней после изготовления.

Стандарт
альбом
Номер стандарта
ТДК 4-1
Статус
действует
Год выпущенного стандарта
1967
Название стандарта
Рабочие чертежи железобетонных плит перекрытий под повышенную нагрузку.
Название Длина, ммШирина, ммВысота, ммВес, кгНомер стандарта Цена
11650168060060001.020-1
47 392 руб.
11650168060060001.020-1
45 137 руб.
328014803002400ПС 143
26 149 руб.
400018003005080ПС 143
61 306 руб.
380018003004800ПС 143
53 638 руб.
340018002803980ПС 143
34 430 руб.
300018002803480ПС 143
33 106 руб.
260018002202330ПС 143
25 095 руб.
220018002201950ПС 143
17 665 руб.
180018002201550ПС 143
13 248 руб.
14001800180830ПС 143
7 584 руб.
400012002803330ПС 143
29 821 руб.
380012002803150ПС 143
28 902 руб.
340012002802830ПС 143
24 327 руб.
300012002201950ПС 143
23 053 руб.
2600600220830ПС 143
30 413 руб.
2200600160500ПС 143
44 164 руб.
1800600160400ПС 143
27 104 руб.
1400600160330ПС 143
15 531 руб.
2520600220910РК 2303-86
11 784 руб.
718079022020809561-91
27 244 руб.
708079022020509561-91
26 546 руб.
698079022020009561-91
25 925 руб.
688079022019809561-91
25 533 руб.
678079022019509561-91
25 064 руб.
668079022019309561-91
24 671 руб.
658079022019009561-91
24 202 руб.
648079022018509561-91
23 582 руб.
638079022018009561-91
22 961 руб.
628079022017809561-91
22 569 руб.
618079022017309561-91
21 948 руб.
608079022017009561-91
21 480 руб.
598079022016809561-91
21 087 руб.
588079022016509561-91
20 618 руб.
578079022016309561-91
20 225 руб.
568079022016009561-91
19 757 руб.
558079022015809561-91
19 364 руб.
548079022015509561-91
18 895 руб.
538079022015309561-91
18 503 руб.
528079022015009561-91
18 034 руб.
518079022014809561-91
17 641 руб.
508079022014509561-91
17 173 руб.
498079022014209561-91
16 745 руб.
488079022013809561-91
16 398 руб.
478079022013509561-91
15 781 руб.
468079022013309561-91
15 279 руб.
458079022013009561-91
14 894 руб.
448079022012609561-91
14 433 руб.
438079022012409561-91
14 124 руб.
428079022012209561-91
13 814 руб.
Полный каталог
Название Длина, ммШирина, ммВысота, ммВес, кгНомер стандарта Цена
47007902201835ТДК 4-1
27 094 руб.
470011902202860ТДК 4-1
41 230 руб.
43007902201670ТДК 4-1
20 660 руб.
430011902202620ТДК 4-1
31 583 руб.
350015902202910ТДК 4-1
22 364 руб.
270015902202240ТДК 4-1
14 510 руб.
270011902201650ТДК 4-1
10 548 руб.
1500790160430ТДК 4-1
2 960 руб.
15001500160810ТДК 4-1
6 030 руб.

ТД "Еврастрой" предлагает купить Плиты перекрытия ТП 35-12 и по выгодной цене. Наша компания осуществляет доставку продукции по всей территории России и странам СНГ.

В каталоге представлено около 170 тыс. позиций.

По наличию и ценам Мы можем проконсультировать Вас по телефону +7 (343) 300-90-87 или можете отправить запрос на почтовый ящик gbi@gbi22.ru.

Оплатить продукцию можно в рассрочку, для обсуждения вопросов оплаты так же можно обратиться к нашим менеджерам.

Продажа ЖБИ изделий производится с заводов в таких городах как:

  • Екатеринбург
  • Тюмень
  • Красноярск
  • Новосибирск
  • Иркутск
  • Ростов-на-дону
  • Нижний Новгород
  • Казань
  • Москва

Наши менеджеры помогут Вам подобрать оптимальное решения для ваших задач, сориентируют по наличию и ценам, расскажут про оптимальные варианты доставки и оплаты. Звоните +7 (343) 300-90-87

16 052 руб.
цена с НДС*
Наличие: нет
шт.
Перейти в корзину

Оформить заказ
Рассрочка
Рассказать друзьям: