В вашей корзине ещё нет товаров.
| Цена за 1м3, руб | 29 039 с НДС* |
|
|||||||||
| Количество в квадратом метре, шт | 0,11 | ||||||||
| Нормы погрузки на авто | СПЕЦАВТО | ||||||||
| Нормы погрузки ЖД | СПЕЦВАГОН | ||||||||
| Ссылка на стандарт | https://disk.yandex.ru/d/y_pqMiSVa2pWdA | ||||||||
| Расход стали, кг | 176,3 |
| Расход стали на 1м3 бетона, кг | 147,90 |
| Класс прочности | В30 |
| Марка бетона | М400 |
| Морозостойкость | F200-F400 |
| Водонепроницаемость | W10-W12 |
| Марка бетона по EN 206-1 | C25/30 |
| Геометрический объем | 1,421 |
| Объем бетона | 1,19 |
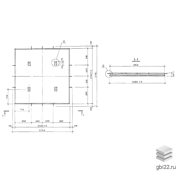
Каждая плита имеет уникальную цифробуквенную маркировку, отражающую ее параметры:
Железобетонная плита ПП 1-4-1 представляет собой плоский прямоугольный элемент каркаса зданий с арматурными выпусками для соединения с другими конструкциями. Изделие может иметь технологические вырезы для создания проемов.
Конструкции предназначены для возведения:
Эксплуатация возможна в температурном диапазоне от -40°C до +50°C в условиях сейсмической активности до 6 баллов.
Изделия изготавливаются из тяжелого бетона (М4000-М4000) с армированием сталью классов АтIIIс или АIII. Все металлические элементы проходят антикоррозийную обработку.
Плиты перевозят в горизонтальном положении с надежной фиксацией. Хранение осуществляется в штабелях с использованием специальных прокладок, обеспечивающих сохранность конструкций.
Производство соответствует требованиям:
| Стандарт | ГОСТ |
| Номер стандарта | 27108-86 |
| Статус | заменен ГОСТ 27108-2016 |
| Год выпущенного стандарта | 1987 |
| Название стандарта | Конструкции каркаса железобетонные для многоэтажных зданий с безбалочными перекрытиями. Технические условия. |
| Название | Длина, мм | Ширина, мм | Высота, мм | Вес, кг | Номер стандарта | Цена | |
|---|---|---|---|---|---|---|---|
| 2980 | 2980 | 160 | 2980 | 27108-2016 |
37 898 руб. |
||
| 2980 | 2980 | 160 | 2980 | 27108-2016 |
34 845 руб. |
||
| 2980 | 2980 | 160 | 2980 | 27108-2016 |
34 615 руб. |
||
| 2980 | 2980 | 160 | 2980 | 27108-2016 |
32 852 руб. |
||
| 2980 | 2980 | 160 | 2980 | 27108-2016 |
30 214 руб. |
||
| 2980 | 2980 | 160 | 2980 | 27108-2016 |
30 260 руб. |
||
| 2980 | 2980 | 160 | 2980 | 27108-2016 |
28 556 руб. |
||
| 2980 | 2980 | 160 | 2980 | 27108-2016 |
27 155 руб. |
||
| 5980 | 2980 | 180 | 7850 | 1.420.1-25 |
по запросу |
||
| 5980 | 2980 | 180 | 7850 | 1.420.1-25 |
по запросу |
||
| 5980 | 2980 | 180 | 7600 | 1.420.1-25 |
по запросу |
||
| 5980 | 2980 | 180 | 7600 | 1.420.1-25 |
по запросу |
||
| 5980 | 2980 | 180 | 7850 | 1.420.1-25 |
по запросу |
||
| 5980 | 2980 | 180 | 7850 | 1.420.1-25 |
по запросу |
||
| 5980 | 2980 | 180 | 7600 | 1.420.1-25 |
по запросу |
||
| 5980 | 2980 | 180 | 7600 | 1.420.1-25 |
по запросу |
||
| 5980 | 2980 | 180 | 7850 | 1.420.1-25 |
по запросу |
||
| 5980 | 2980 | 180 | 7850 | 1.420.1-25 |
по запросу |
||
| 5980 | 2980 | 180 | 7600 | 1.420.1-25 |
по запросу |
||
| 5980 | 2980 | 180 | 7600 | 1.420.1-25 |
по запросу |
||
| 5980 | 2980 | 180 | 7850 | 1.420.1-25 |
по запросу |
||
| 5980 | 2980 | 180 | 7850 | 1.420.1-25 |
по запросу |
||
| 5980 | 2980 | 180 | 7600 | 1.420.1-25 |
по запросу |
||
| 5980 | 2980 | 180 | 7600 | 1.420.1-25 |
по запросу |
||
| 2980 | 2980 | 160 | 3500 | 1.420.1-25 |
по запросу |
||
| 2980 | 2980 | 160 | 3500 | 1.420.1-25 |
по запросу |
||
| 2980 | 2980 | 160 | 2980 | 1.420.1-25 |
по запросу |
||
| 2980 | 2980 | 160 | 3500 | 1.420.1-25 |
по запросу |
||
| 2980 | 2980 | 160 | 3500 | 1.420.1-25 |
по запросу |
||
| 2980 | 2980 | 160 | 2980 | 1.420.1-25 |
по запросу |
||
| 2980 | 2980 | 160 | 3500 | 1.420.1-25 |
по запросу |
||
| 2980 | 2980 | 160 | 3500 | 1.420.1-25 |
по запросу |
||
| 2980 | 2980 | 160 | 2980 | 27108-86 |
37 898 руб. |
||
| 2980 | 2980 | 160 | 2980 | 27108-86 |
34 845 руб. |
||
| 2980 | 2980 | 160 | 2980 | 27108-86 |
32 852 руб. |
||
| 2980 | 2980 | 160 | 2980 | 27108-86 |
30 214 руб. |
||
| 2980 | 2980 | 160 | 2980 | 27108-86 |
30 260 руб. |
||
| 2980 | 2980 | 160 | 2980 | 27108-86 |
28 556 руб. |
||
| 2980 | 2980 | 160 | 2980 | 27108-86 |
27 155 руб. |
| Название | Длина, мм | Ширина, мм | Высота, мм | Вес, кг | Номер стандарта | Цена | |
|---|---|---|---|---|---|---|---|
| 2980 | 2980 | 160 | 2980 | 27108-86 |
37 898 руб. |
||
| 2980 | 2980 | 160 | 2980 | 27108-86 |
34 845 руб. |
||
| 2980 | 2980 | 160 | 2980 | 27108-86 |
32 852 руб. |
||
| 2980 | 2980 | 160 | 2980 | 27108-86 |
30 214 руб. |
||
| 2980 | 2980 | 160 | 2980 | 27108-86 |
30 260 руб. |
||
| 2980 | 2980 | 160 | 2980 | 27108-86 |
28 556 руб. |
||
| 2980 | 2980 | 160 | 2980 | 27108-86 |
27 155 руб. |
||
| 3280 | 2090 | 160 | 2500 | 27108-86 |
33 773 руб. |
||
| 3280 | 2090 | 160 | 2500 | 27108-86 |
32 426 руб. |
||
| 3280 | 2090 | 160 | 2500 | 27108-86 |
31 363 руб. |
||
| 3280 | 2090 | 160 | 2500 | 27108-86 |
30 246 руб. |
||
| 3280 | 2090 | 160 | 2500 | 27108-86 |
28 587 руб. |
||
| 3280 | 2090 | 160 | 2500 | 27108-86 |
27 734 руб. |
||
| 3280 | 2090 | 160 | 2500 | 27108-86 |
26 018 руб. |
||
| 3280 | 2090 | 160 | 2500 | 27108-86 |
25 246 руб. |
||
| 2670 | 3280 | 160 | 3250 | 27108-86 |
41 855 руб. |
||
| 2670 | 3280 | 160 | 3250 | 27108-86 |
40 127 руб. |
||
| 2670 | 3280 | 160 | 3250 | 27108-86 |
36 540 руб. |
||
| 2670 | 3280 | 160 | 3250 | 27108-86 |
34 005 руб. |
||
| 2670 | 3280 | 160 | 3250 | 27108-86 |
31 045 руб. |
||
| 2670 | 3280 | 160 | 3250 | 27108-86 |
27 981 руб. |
||
| 2980 | 3280 | 160 | 3500 | 27108-86 |
44 403 руб. |
||
| 2980 | 3280 | 160 | 3500 | 27108-86 |
44 887 руб. |
||
| 2980 | 3280 | 160 | 3500 | 27108-86 |
42 374 руб. |
||
| 2980 | 3280 | 160 | 3500 | 27108-86 |
43 136 руб. |
||
| 2980 | 3280 | 160 | 3500 | 27108-86 |
39 194 руб. |
||
| 2980 | 3280 | 160 | 3500 | 27108-86 |
39 678 руб. |
||
| 2980 | 3280 | 160 | 3500 | 27108-86 |
38 872 руб. |
||
| 2980 | 3280 | 160 | 3500 | 27108-86 |
39 356 руб. |
||
| 2980 | 3280 | 160 | 3500 | 27108-86 |
36 130 руб. |
||
| 2980 | 3280 | 160 | 3500 | 27108-86 |
36 614 руб. |
||
| 2980 | 3280 | 160 | 3500 | 27108-86 |
34 610 руб. |
||
| 2980 | 3280 | 160 | 3500 | 27108-86 |
35 093 руб. |
||
| 2980 | 3280 | 160 | 3500 | 27108-86 |
33 216 руб. |
||
| 2980 | 3280 | 160 | 3500 | 27108-86 |
33 700 руб. |
||
| 2980 | 3280 | 160 | 3500 | 27108-86 |
29 956 руб. |
||
| 2980 | 3280 | 160 | 3500 | 27108-86 |
30 440 руб. |
||
| 2090 | 2670 | 600 | 3900 | 27108-86 |
63 936 руб. |
||
| 2090 | 2670 | 600 | 3900 | 27108-86 |
62 670 руб. |
||
| 2090 | 2670 | 600 | 3900 | 27108-86 |
56 503 руб. |
||
| 2090 | 2670 | 600 | 3900 | 27108-86 |
56 078 руб. |
||
| 2090 | 2670 | 600 | 3900 | 27108-86 |
51 948 руб. |
||
| 2090 | 2670 | 600 | 3900 | 27108-86 |
49 289 руб. |
||
| 2090 | 2670 | 600 | 3900 | 27108-86 |
63 936 руб. |
||
| 2090 | 2670 | 600 | 3900 | 27108-86 |
62 670 руб. |
||
| 2090 | 2670 | 600 | 3900 | 27108-86 |
56 503 руб. |
||
| 2090 | 2670 | 600 | 3900 | 27108-86 |
56 078 руб. |
||
| 2090 | 2670 | 600 | 3900 | 27108-86 |
51 948 руб. |
||
| 2090 | 2670 | 600 | 3900 | 27108-86 |
49 289 руб. |
||
| 2090 | 2980 | 600 | 4180 | 27108-86 |
67 354 руб. |
ТД "Еврастрой" предлагает купить Пролетные плиты ПП 1-4-1 по выгодной цене. Наша компания осуществляет доставку продукции по всей территории России и странам СНГ.
В каталоге представлено около 170 тыс. позиций.
По наличию и ценам Мы можем проконсультировать Вас по телефону +7 (343) 300-90-87 или можете отправить запрос на почтовый ящик gbi@gbi22.ru.
Оплатить продукцию можно в рассрочку, для обсуждения вопросов оплаты так же можно обратиться к нашим менеджерам.
Продажа ЖБИ изделий производится с заводов в таких городах как:
Наши менеджеры помогут Вам подобрать оптимальное решения для ваших задач, сориентируют по наличию и ценам, расскажут про оптимальные варианты доставки и оплаты. Звоните +7 (343) 300-90-87
